Skip to main content
Overview
Creator: Nowack, Cam
Subject:
Description:
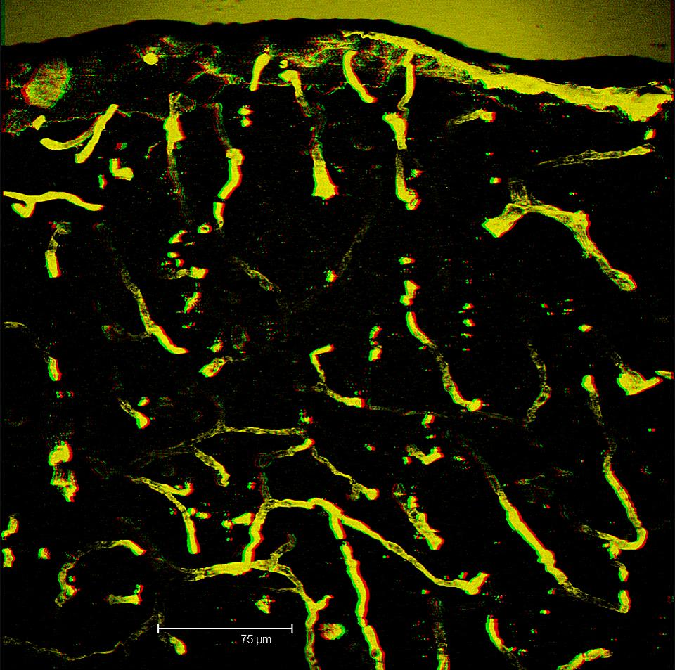
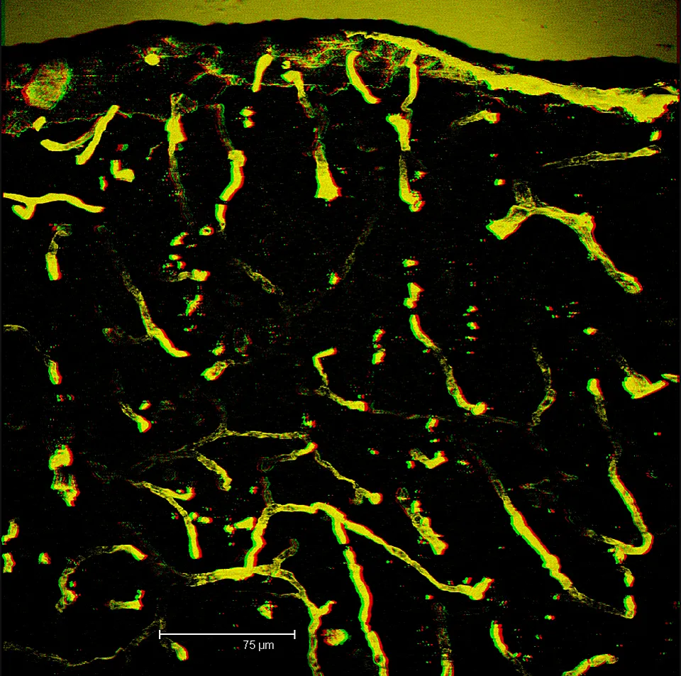
3D transparent projection of a thick section of mouse brain vasculature. Depth of section = 23.90 μm Depth factor 3
Date Original:
2013, April 4
Language:
eng
Rights
Rights Management:
Original materials may be protected by the Copyright Law of the United States (more information).
Technical
Digitization Specifications:
Saved as JPEG (level 12) in Photoshop CS6
Date Digital:
Format:
image/jpeg
Type:
Image